Vhf Am Video Transmitter Schematic Diagram The Aa8v/w8exi 6c
Transmitter vhf mhz transmetteur schematic skema electronique genie Transmitter am circuit simple transistors diagram block tx3 modem newark qam two amplitude Am transmitter circuit
am transmitter circuit diagram - Wiring Diagram and Schematics
Transmitter vhf schematic determine antenna along Free circuit diagrams 4u: tv transmitter circuit diagram (vhf) 3-tube am stereo transmitter
Am transmitter build project and demo
Transmitter circuit amplitude transmitters modulatedAm tube transmitter schematic Am transmitter block diagramFree circuit diagrams 4u: simple am transmitter circuit diagram.
Tv audio video transmitter schematic diagramTransmitter am circuit simple diagram antenna build pcb note Tube transmitter schematic circuit circuits rf schematics diagrams high diagram radio vacuum am power oscillator cw frostburg part supply voltageTransmitter am quam stereo schematic using circuit tube valves circuits full click larger version rf preliminary differences final between some.

Transmitter pll 1710 khz synthesized am88
Analog communication[diagram] simple am transmitter circuit diagram How to build an am radio transmitterAm transmitter circuit diagram.
Vhf transmitter schemat sema prosty seekic schematic uhf nadajnika schematics ili tranzistora bardzo modulatorCircuit diagram Am transmitter circuit diagramVhf audio video transmitter.

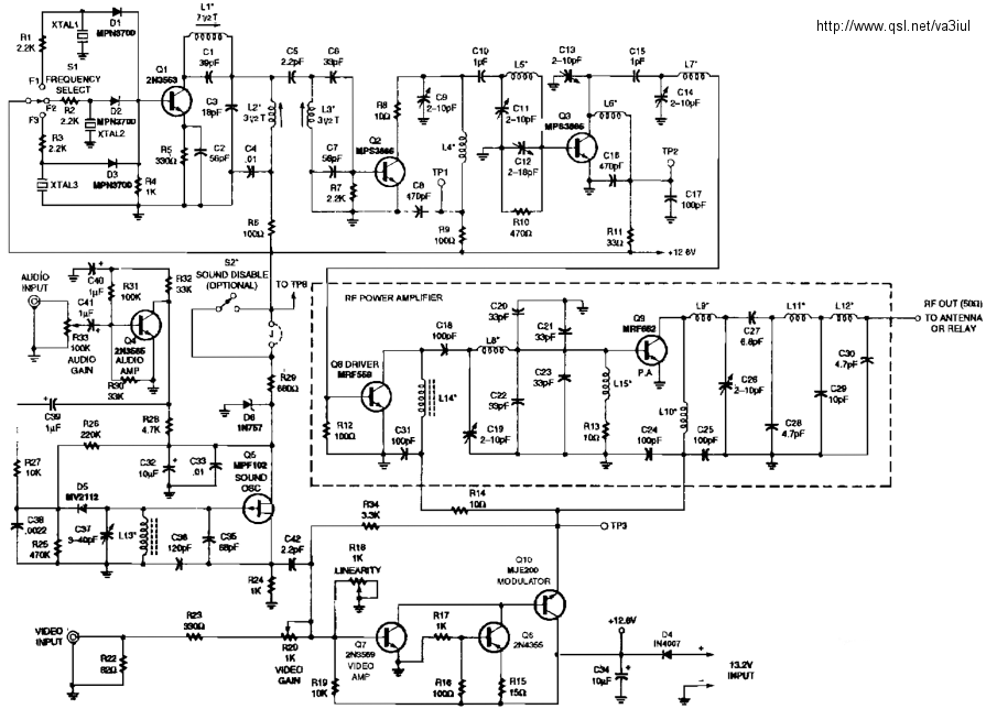
Transmitter atv am uhf 5w circuit va3iul schematic circuits designed only video
The aa8v/w8exi 6cl6 one-tube transmitterPower switch supply tl494 transmitter variable 50v mode mhz circuit schematic diagram 5a electronic components basic fm vhf km circuits Amplifier circuits: videoAmateur radio qrp projects: construction of an emergency transceiver.
Video related circuit schematics / circuit diagrams including videoVhf video transmitter 60-200 mhz Am transmitter circuit diagram pcb bottomTransmitter video circuit vhf wireless audio schematics diagram schematic modulator simple seekic electronic circuits signal diagrams diy electronics rf top.

Radio transmitter circuit diagrams
Transmitter circuit vhf diagram video schematic diagrams noteTransmitter audio diagram tv video circuit schematic simple circuits rf gr full next level picture adjust r7 bias control used Tv video transmitter circuit vhf uhfSimple transistors based am transmitter circuit.
Long range fm transmitter circuit,2 km 88-108 mhz vhfAm transmitter circuit diagram and instructions Pll synthesized am transmitter for 530-1710 khzFrequency modulation transmitter circuit diagram.

[diagram] simple am transmitter circuit diagram
Stereo fm transmitter circuit diagramCircuit transmitter tv vhf diagram simple video note electronic schematic circuits full bc337 diagrams schematics make gr next use frequency Camera vhf video transmitterAv transmitter circuit diagram.
Level transmitter circuit diagramTransmitter am diagram simple schematic qrp radio projects figure amateur Tv video transmitter circuit vhf uhfBlock diagram of am transmitter.

Free circuit diagrams 4u: vedio transmitter
.
.





